Sustainable biodegradable golf tee designed for injection molding production.

About the Project
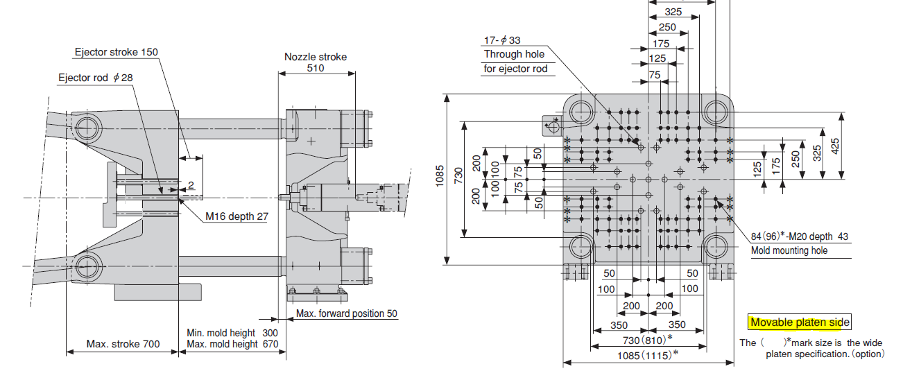
KNot is a biodegradable golf tee project that demonstrates our expertise in sustainable product design and manufacturing. The project involved complete product development from concept to production-ready tooling.
We designed the injection mold with careful consideration for material flow, ejection, and production efficiency. The biodegradable material selection ensures environmental responsibility without compromising performance.
The mold design process included detailed analysis of cavity layout, ejector pin placement, cooling channels, and gate locations to optimize cycle time and part quality. The final tooling was manufactured and validated through production trials.
Key Features
- 01Biodegradable material selection
- 02Complete injection mold design
- 03Production-ready tooling
- 04Sustainable manufacturing process
- 05Quality control documentation